咨询热线
13031749797
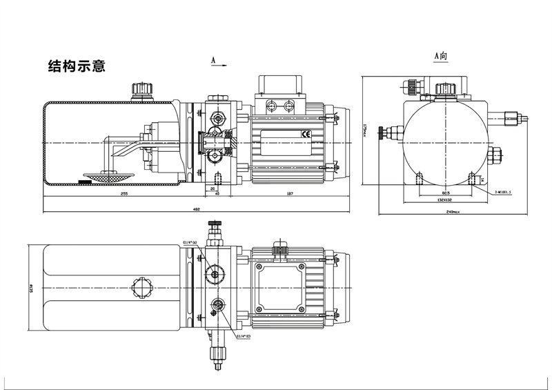
固定式登车桥电动液压高度可任意调节 ,提高装卸效率的液压固定式登车桥,采用全液压驱动,操作方便运行可靠。唇板与平台采用整长轴连接,强度高、可靠性好。用进口整体模块式液压站,密封性好,使用寿命长。
13031749797
固定式登车桥电动液压高度可任意调节 ,提高装卸效率的液压固定式登车桥,采用全液压驱动,操作方便运行可靠。唇板与平台采用整长轴连接,强度高、可靠性好。用进口整体模块式液压站,密封性好,使用寿命长。
适用范围
装卸频繁、企业、仓库、车站、码头、仓储物流基地、邮政运输、物流配送等单位的货物装卸。
























产品视频
产品规格





